描述
特征
Q & A
技术参数
评价
下载
公司简介
- 描述
产品参数
-
端接类型
焊接式
-
材质
铜
-
公母
母头
-
方向
弯式
-
极性
标准
-
功能
其它
-
镀层
镀金
-
安装方式
PCB板/面板
-
安装特征
穿墙/插板
-
阻抗
50 Ω
-
外导体连接
无
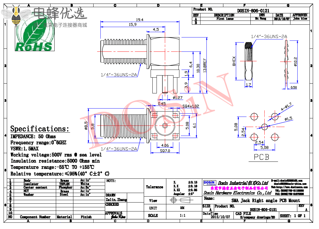
产品图纸

- 产品特征
产品特征:
- SMA连接器,弯式,母头,Pcb板,插孔,镀金;
- 高性能电子连接器,频率高达18GHz,低反射;
- 螺纹连接结构保证产品在使用过程中具有低损耗和高安全性的特征;
- 高质量原厂出货,30天无忧退换货;
- 来自品牌OEM原厂批发,相同质量,更实惠的价格。
应用:
- 航天和工防:手持现场设备、仪表
- 医疗:仪表
- 商用汽车:蓝牙、GPS
- 通讯、电信:基站
- 数据、通信:WIFI网络、无线城域网(WiMAX)
- 工业:主动/被动组件, 仪表,机器对机器通信
- 技术参数
电气性能
- 阻抗: 50 ohm
- 频率范围:0~6 GHz
- 电压驻波比:直式 ≦ 1.3max / 弯式≦ 1.5max
- 耐电压:接RG142,RG405线缆时为1000 V rms
- 接RG316,RG402线缆时为750 V rms
- 接RG142,RG405线缆时为500 V rms
- 工作电压:接RG142,RG405线缆时为500 V rms
- 接RG316,RG402线缆时为375 V rms
- 接RG142,RG405线缆时为170 V rms
- 中心接触电阻:≦ 6.0mΩ (Milliohms max.)
- 外接触电阻:≦ 2.0 mΩ (Milliohms max.)
- 绝缘电阻:≧ 5*10³ mΩ (Megohms min.)
机械性能
- 耦合方式:1/4-36螺纹锁紧
- 保持力:15 lbs min.
- 连接螺母扭矩: 30 in-lbs. min.
- 配接耐久性:大于500次 (使用铍铜接触件时)
环境性能
- 温度范围:-50°C ~ +155°C
- 振动:MIL-STD-202 Meth.204
- 抗腐蚀性:MIL-STD-202 Meth. 101
材质:
| 部件 | 材料 | 表面处理 | |
| 主体 | Brass | Au:1u" | |
| 中心针 | Phosphor | Au:3u" | |
| 绝缘子 | TEFLON | White | |
- 公司简介




- Q & A
- 去提问
全部(0)
产品推荐(0)
产品应用(0)
定制(0)
配套产品(0)
其他(0)
没有评价数据
- 产品评价
- 去评价
0.0
好评率 100%
全部0评价
排序: 最新
全部(0)
带图评论(0)
好评(0)
中评(0)
质量好(0)
发货快(0)
差评(0)
没有评价数据
- 下载
暂无数据



