描述
特征
Q & A
技术参数
评价
下载
公司简介
- 描述
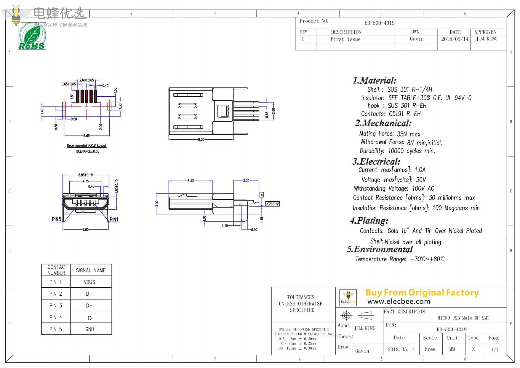
产品参数
-
安装方式
PCB板安装
-
端接类型
焊接式
-
安装特征
穿孔式
-
公母
公头
-
方向
直立式
-
接头类型
Micro B
-
针脚数
5 pin
-
端口数
单
-
协议标准
USB 2.0
- 产品特征
产品特征:
- USB,micro B,公头,立式,镀镍,180度,注塑成型,插板;
- 比Mini USB更紧凑,符合环境、健康和安全要求;
- 全金属屏蔽,多领域灵活运用;
- 简单快速的使用,充电便捷;
- 高质量原厂出货,30天无忧退换货;
- 来自品牌OEM原厂批发,相同质量,更实惠的价格。
应用:
- 通讯:卫星电话
- 数据:PC电脑
- 消费者:摄像机,智能手机,MP3播放器,蓝牙,耳机,智能手表,平板电脑,读卡器,GPS,笔记本电脑散热器
- 工业和仪表:工厂。

- 技术参数
电气性能
- 电压额定值:100V AC(rms)
- 额定电流:1.0A MAX
- 接触电阻:10 milliohms max
- 绝缘电阻:1000M ΩMin
- 介质耐电压:500 V DC/1min
机械性能
- 插拔次数:1000次
- 拔出力:35N max
- 插入力:10N
环境性能
- 工作温度:-55°C to +85°C
材质:
| 部件 | 材料 | 表面处理 | |
| 塑料外壳 | High temperature thermoplastic resin | UL94V-0 | |
| 屏蔽外壳 | Stainless Steel | Nickel Plating | |
| 端子 | Copper Alloy | Au over nickel | |
- 公司简介




- Q & A
- 去提问
全部(0)
产品推荐(0)
产品应用(0)
定制(0)
配套产品(0)
其他(0)
没有评价数据
- 产品评价
- 去评价
0.0
好评率 100%
全部0评价
排序: 最新
全部(0)
带图评论(0)
好评(0)
中评(0)
质量好(0)
发货快(0)
差评(0)
没有评价数据
- 下载
暂无数据


