描述
特征
Q & A
技术参数
评价
下载
公司简介
- 描述
产品参数
-
安装方式
PCB板安装
-
材质
铜
-
端接类型
焊接式
-
公母
母头
-
方向
弯式
-
极性
标准
-
功能
其它
-
镀层
镀镍
-
安装特征
穿墙/插板
-
阻抗
50 Ω
-
外导体连接
无
- 产品特征
产品特征:
- Mini UHF连接器,弯式,母头,穿墙,PCB板;
- 小型UHF连接器,重量更轻,性价比更高;
- 3/8-24螺纹锁紧方式,产品使用频率高达2.5GHz;
- 高质量原厂出货,30天无忧退换货;
- 来自品牌OEM原厂批发,相同质量,更实惠的价格。
Mini UHF连接器的主要应用:
天线、电缆调制解调器、个人电脑/局域网等

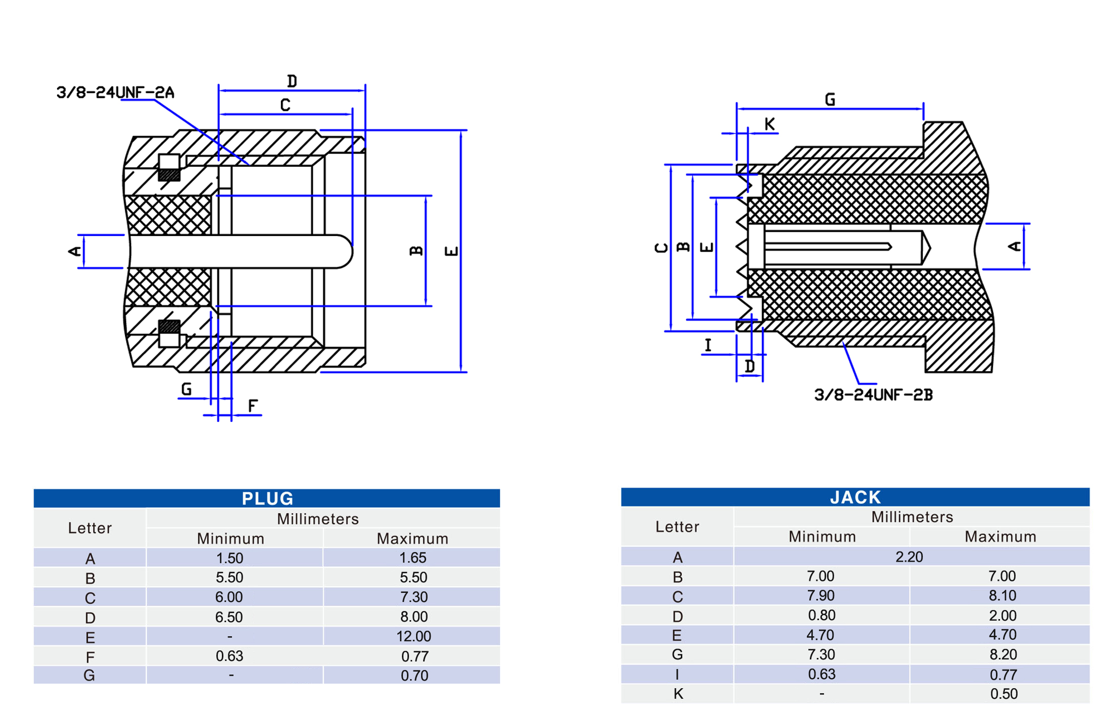
- 技术参数
技术参数:
电气性能
- 阻抗:50 ohm
- 频率范围:0~2GHz
- 额定电压:335 volts
- 耐电压:1000 vrms
- 电压驻波比:≦1.25
- 绝缘电阻:≧5000MΩ
机械性能
- 耦合方式:3/8-24 螺纹锁紧
- 电缆固定(编织或中心接触体):压接
- 电缆保持力:≧ 40 lb
环境性能
- 环境温度:-55°C ~ +85°C
- 冲击:Mil-STD-202
- 振动:Mil-STD-202
- 热冲击:Mil-STD-202
- 盐雾:Mil-STD-202
- 公司简介




- Q & A
- 去提问
全部(0)
产品推荐(0)
产品应用(0)
定制(0)
配套产品(0)
其他(0)
没有评价数据
- 产品评价
- 去评价
0.0
好评率 100%
全部0评价
排序: 最新
全部(0)
带图评论(0)
好评(0)
中评(0)
质量好(0)
发货快(0)
差评(0)
没有评价数据
- 下载
暂无数据


