描述
特征
Q & A
技术参数
评价
下载
公司简介
- 描述
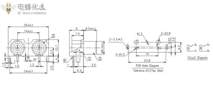
产品图纸

- 产品特征
产品特征:
RCA连接器,母,插座,90°弯式,2孔,1*2,接板,插板,带金属屏蔽,黑色塑胶,ABS.PBT,镀镍;
价格便宜,设计简单且方便安装;
高质量原厂出货,30天无忧退换货;
来自品牌OEM原厂批发,相同质量,更实惠的价格。
应用:
- 交通:汽车、摩托车
- 家电:彩电、冰箱、VCD、DVD、投影仪、灯饰产品
- 数据通信:手机 计算机、数控设备
- 安防:防盗器、监控器、安防产品
- 技术参数
电气性能
- 阻抗:50欧姆/75欧姆
- 频率范围:
- 柔性线缆: 0-11GHz
- 半柔性线缆 :0-18 GHz
- 工作电压:≤1000V,50Hz(海平面)
机械性能
- 插拔次数:大于500次
环境性能
环境温度:-55°C to +165°C
材质
| 部件 | 材料 | 表面处理 | |
| 主体 | Brass | Nickel(Ni) | |
| 中心针 | Brass | Gold | |
| 绝缘子 | POM | ||
- 公司简介




- Q & A
- 去提问
全部(0)
产品推荐(0)
产品应用(0)
定制(0)
配套产品(0)
其他(0)
没有评价数据
- 产品评价
- 去评价
0.0
好评率 100%
全部0评价
排序: 最新
全部(0)
带图评论(0)
好评(0)
中评(0)
质量好(0)
发货快(0)
差评(0)
没有评价数据
- 下载
暂无数据


