描述
特征
Q & A
技术参数
评价
下载
公司简介
- 描述
产品参数
-
安装方式
PCB板安装
-
材质
铜
-
端接类型
焊接式
-
安装特征
穿孔式
-
公母
公头
-
方向
直式
-
极性
标准
-
功能
其它
-
镀层
镀金
-
阻抗
50 Ω
-
外导体连接
无
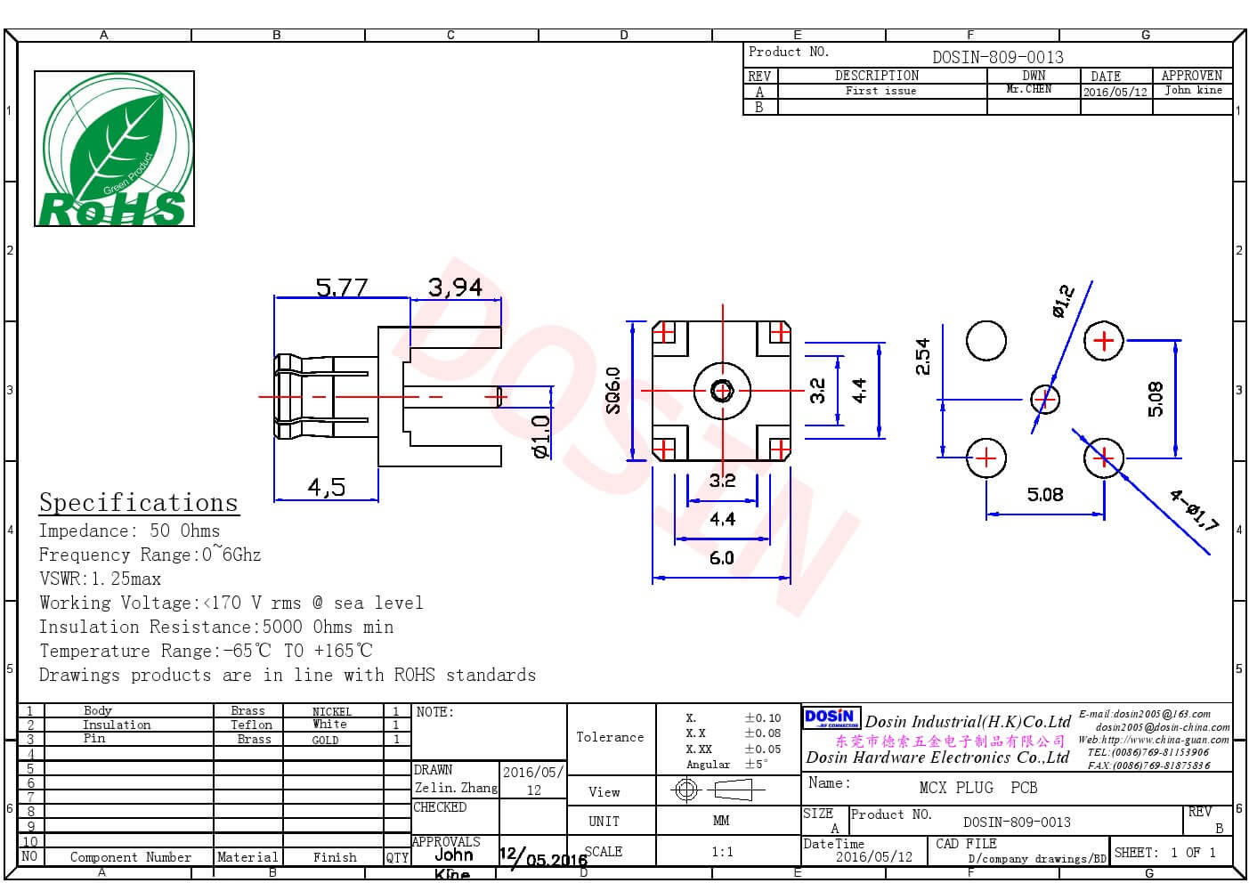
产品图纸

- 产品特征
产品特征:
- mcx连接器,pcb板,公头,50欧,直插;
- 同具有相同尺寸中心针和绝缘子的SMB连接器相比,尺寸减少30%,重量更轻,可用于更小空间;
- 推入式快速插拔对接方式,非常适用于快速安装和插拔连接;
- 具有高宽频性能和低反射,性价比高;
- 高质量原厂出货,30天无忧退换货;
- 来自品牌OEM原厂批发,相同质量,更实惠的价格。
MCX连接器的主要应用:
消费电子:GPS全球定位系统,高清电视,无线网络电视和音频
航天和工防:GPS,通讯系统
医疗:遥测
通讯、电信:GPS跟踪、定位、导航设备,无线基站,无线局域网
数据、通信:无线局域网(WLAN),无线个人网(蓝牙),无线广域网(WWAN)
工业:机器对机器通信

- 技术参数
技术参数:
电气性能
- 阻抗:50 ohm
- 频率范围:0~6 GHz
- 电压驻波比:直式 ≦ 1.3max / 弯式≦ 1.5max
- 耐电压:1000 V rms
- 工作电压:335 V rms
- 中心接触电阻: ≦ 5.0 mΩ (Milliohms max.)
- 外接触电阻:≦ 1.0 mΩ (Milliohms max.)
- 绝缘电阻:≧ 1000 mΩ
机械性能
- 耦合方式:推入式
- 保持力:4 lbs min.
- 配接耐久性:大于500次 (使用铍铜中心针时)
环境性能
- 温度范围:Teflon -65°C ~ +155°C
- 振动:MIL-STD-202 Meth.204
- 抗腐蚀性:MIL-STD-202 Meth. 101
材质:
| 部件 | 材料 | 表面处理 | |
| 主体 | Brass | Nickel | |
| 中心针 | Brass | Gold | |
| 绝缘子 | Teflon | White | |
- 公司简介




- Q & A
- 去提问
全部(0)
产品推荐(0)
产品应用(0)
定制(0)
配套产品(0)
其他(0)
没有评价数据
- 产品评价
- 去评价
0.0
好评率 100%
全部0评价
排序: 最新
全部(0)
带图评论(0)
好评(0)
中评(0)
质量好(0)
发货快(0)
差评(0)
没有评价数据
- 下载
暂无数据


