描述
特征
Q & A
技术参数
评价
下载
公司简介
- 描述
产品参数
-
方向
直式
-
接头 A
N Type
-
接头A 公母
母头
-
接头 B
N Type
-
接头B 公母
母头
- 产品特征
产品特征:
- N型连接器,转接头,直式,四孔法兰,母转母,面板安装;
- 高性能连接器,频率范围达0到11GHz,阻抗50欧姆;
- 螺纹连接结构,保证产品在振动环境使用时的耐久性和稳定性;
- 中型尺寸,可用于工防、工业或消费电子等领域;
- 高质量原厂出货,30天无忧退换货;
- 来自品牌OEM原厂批发,相同质量,更实惠的价格。
应用:
- 航天和工防:雷达设备
- 医疗:射频消融治疗仪
- 商用汽车:蓝牙、GPS
- 通讯、电信:天线、基站、被动/主动基站组件、电信硬件
- 数据、通信:广播电子、WIFI网络
- 工业:机器对机器通信
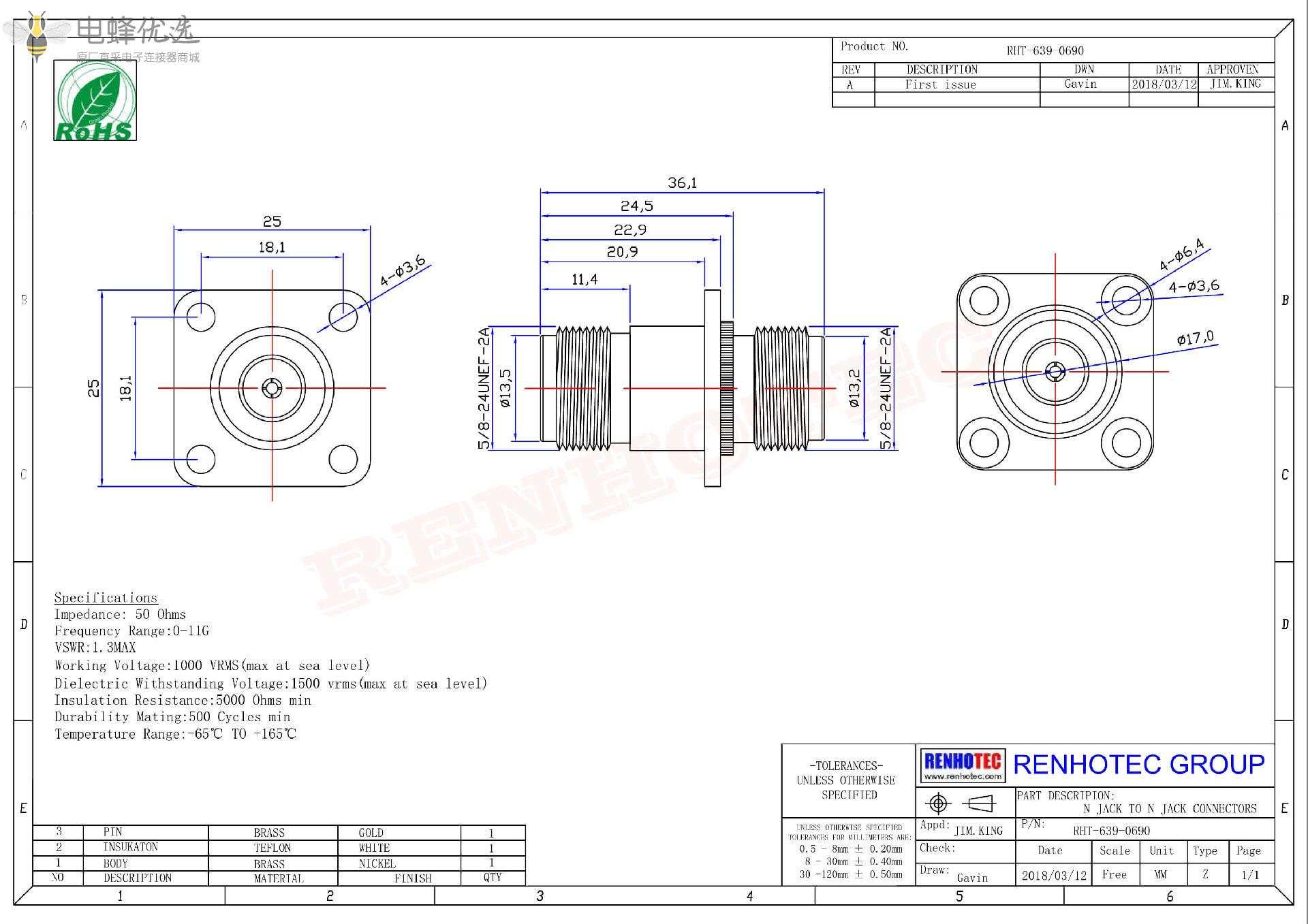
- 技术参数
电气性能
- 阻抗:50 ohm
- 频率范围:0~6 GHz
- 电压驻波比:直式 ≦ 1.3max / 弯式≦ 1.5max
- 耐电压:2500 V rms
- 工作电压:1000 V rms
- 中心接触电阻: ≦ 1.0 mΩ (Milliohms max.)
- 外接触电阻:≦ 0.2 mΩ (Milliohms max.)
- 绝缘电阻:≧ 5*10³ mΩ (Megohms min.)
机械性能
- 耦合方式:5/8-24螺纹
- 保持力:6 lbs min.
- 连接螺母扭矩: 30 in-lbs. min.
- 机械寿命:大于500次 (使用铍铜接触件时)
环境性能
- 环境温度:-55°C ~ +155°C ( PE线缆-40°C ~ +85°C )
- 振动:MIL-STD-202 Meth.204
- 耐腐蚀性:MIL-STD-202 Meth. 101
材质:
| 部件 | 材料 | 表面处理 | |
| 主体 | Brass | Nickel Plated | |
| 中心针 | Brass | Gold | |
| 绝缘子 | PTFE | Natural | |
- 公司简介



- Q & A
- 去提问
全部(0)
产品推荐(0)
产品应用(0)
定制(0)
配套产品(0)
其他(0)
没有评价数据
- 产品评价
- 去评价
0.0
好评率 100%
全部0评价
排序: 最新
全部(0)
带图评论(0)
好评(0)
中评(0)
质量好(0)
发货快(0)
差评(0)
没有评价数据
- 下载
暂无数据




