描述
特征
Q & A
技术参数
评价
下载
公司简介
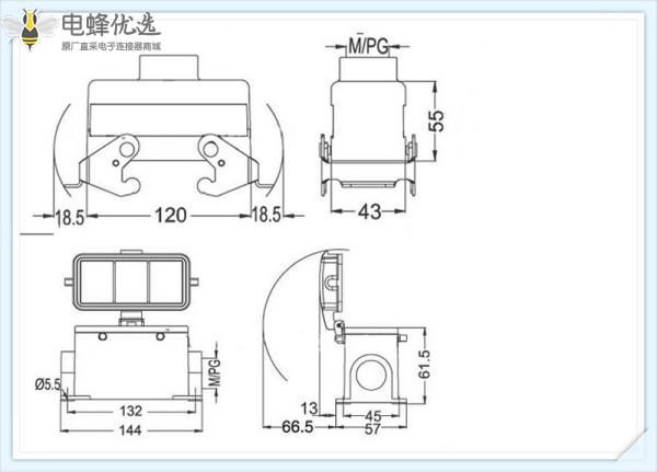
- 描述
- 产品特征
芯数:24芯
工作电流:16A
工作电压:500V
额定脉冲耐受电压:6KV
绝缘电阻:≥10Ω
工作温度范围:-40℃~~+125℃
据UL/CSA工作电压:600V
插针材料:铜
表面处理:镀银、镀金
接触电阻:≤1mΩ
接线形式:螺钉连接




- 技术参数





- 公司简介




- Q & A
- 去提问
全部(0)
产品推荐(0)
产品应用(0)
定制(0)
配套产品(0)
其他(0)
没有评价数据
- 产品评价
- 去评价
0.0
好评率 100%
全部0评价
排序: 最新
全部(0)
带图评论(0)
好评(0)
中评(0)
质量好(0)
发货快(0)
差评(0)
没有评价数据
- 下载
暂无数据


