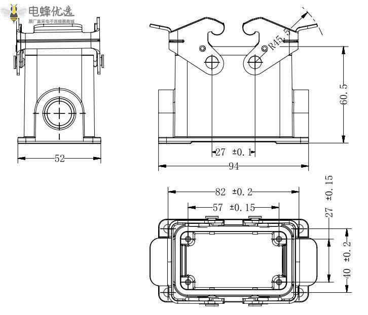
描述
特征
Q & A
技术参数
评价
下载
公司简介
- 描述
- 产品特征
针脚数:10
安装类型:AC/DC
应用领域:工防/航天
材料:压铸铝合金
颜色:灰色
联锁方式:扣子,金属
联锁元件材料:不锈钢或镀锌钢
密封元件:NBR
适用温度范围:-40℃~+125℃
阻燃等级:V0
防护等级:IP65
应用领域:电力行业、风能行业、铁路行业、印刷行业、工程机械、机械手、注塑机、汽车行业、机器人行业、扶梯、电梯行业



- 技术参数
- 公司简介



- Q & A
- 去提问
全部(0)
产品推荐(0)
产品应用(0)
定制(0)
配套产品(0)
其他(0)
没有评价数据
- 产品评价
- 去评价
0.0
好评率 100%
全部0评价
排序: 最新
全部(0)
带图评论(0)
好评(0)
中评(0)
质量好(0)
发货快(0)
差评(0)
没有评价数据
- 下载
暂无数据


