描述
特征
Q & A
技术参数
评价
下载
公司简介
- 描述
- 产品特征
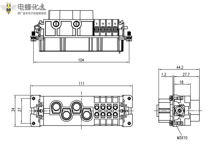
接插件针数:4/8+PE
工作电流:(电力区:80A,信号区:16A)
工作电压:(电力区:830V,信号区:400V)
额定脉冲耐受电压:(电力区:8KV,信号区:6KV)
隔离电阻:≥10Ω
工作温度范围:-40℃~+125℃
阻燃等级:V0
据UL/CSA工作电压:600V/300V
可插拔次数:≥500
材料:铜
表面处理:镀金、镀银
接触电阻:(电力区:≤0.3mΩ,信号区:≤1mΩ)
接线形式:螺钉连接
导线规格:(电力区:1.5-16mm²AWG16-6,信号区:1.0-2.5mm²AWG18-14)
螺钉拧紧力矩:1.2Nm





- 技术参数
- 公司简介




- Q & A
- 去提问
全部(0)
产品推荐(0)
产品应用(0)
定制(0)
配套产品(0)
其他(0)
没有评价数据
- 产品评价
- 去评价
0.0
好评率 100%
全部0评价
排序: 最新
全部(0)
带图评论(0)
好评(0)
中评(0)
质量好(0)
发货快(0)
差评(0)
没有评价数据
- 下载
暂无数据


