描述
特征
Q & A
技术参数
评价
下载
公司简介
- 描述
产品参数
-
端接类型
焊接式
-
材质
锌合金
-
公母
母头
-
方向
弯式
-
极性
标准
-
功能
其它
-
镀层
镀镍
-
安装方式
PCB板/面板
-
安装特征
穿墙/插板
-
阻抗
50Ω/75Ω
-
外导体连接
无
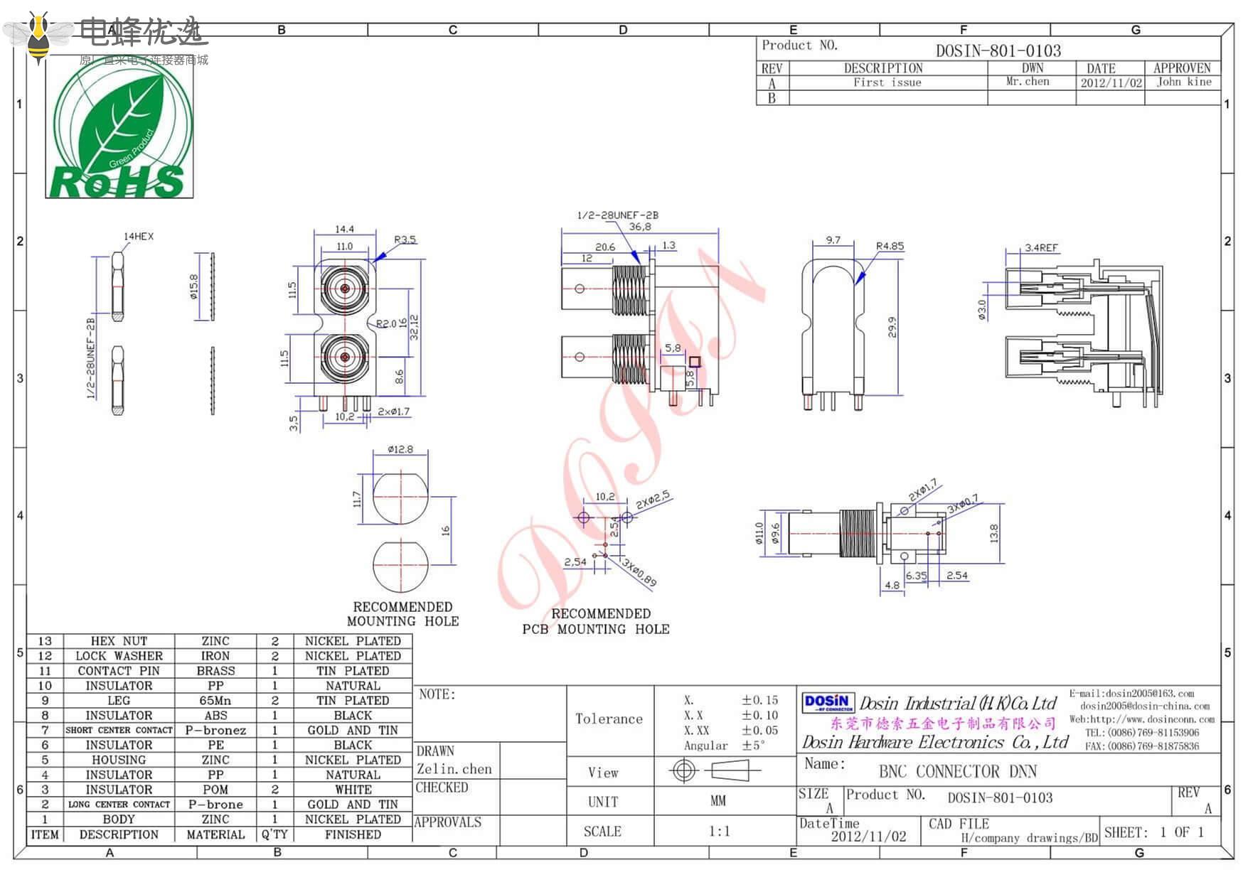
产品图纸

- 产品特征
产品特征:
- PCB板端,母头,弯式,锌合金,RF射频同轴,BNC连接器,75欧姆,穿墙;
- 紧凑设计,安装所需空间更少;
- 快速插拔,安装简单方便;
- 高质量原厂出货,30天无忧退换货;
- 来自品牌OEM原厂批发,相同质量,更实惠的价格。
BNC连接器的主要应用:
天线、线材电缆、汽车、收音机、视频、广播、电信、卫星通信、监视器、收音机、基站、医疗设备、检测设备、闭路电视、电视、高清电视。

- 技术参数
技术参数:
电气性能
- 阻抗: 75 ohm
- 频率范围: 0~4 GHz
- 电压驻波比:直式 ≦ 1.22/3GHz / 弯式 ≦ 1.30/3GHz
- 耐电压:1500 V rms
- 工作电压:500 V rms
- 中心接触电阻:≦ 1.5 mΩ (Milliohms max.)
- 外接触电阻:≦ 2.0 mΩ (Milliohms max.)
- 绝缘电阻:≧5 × 10³ mΩ (Milliohms min.)
机械性能
- 耦合方式:卡口连接
- 保持力:6 lbs min.
- 配接耐久性:≧500 cycles
环境性能
- 温度范围:Teflon -55℃~+155℃ / POM -40℃~+60℃
- 螺母锁定保持力:100 lbs. min.
- 振动:MIL-STD-202 Meth. 204
- 抗腐蚀性:MIL-STD-202 Meth. 101
材质:
| 部件 | 材料 | 表面处理 | |
| 主体 | Zinc | Nickel | |
| 中心针 | Phosphor copper | Nickel | |
| 绝缘子 | PTFE | Nickel | |
- 公司简介




- Q & A
- 去提问
全部(0)
产品推荐(0)
产品应用(0)
定制(0)
配套产品(0)
其他(0)
没有评价数据
- 产品评价
- 去评价
0.0
好评率 100%
全部0评价
排序: 最新
全部(0)
带图评论(0)
好评(0)
中评(0)
质量好(0)
发货快(0)
差评(0)
没有评价数据
- 下载
暂无数据


