描述
特征
Q & A
技术参数
评价
下载
公司简介
- 描述
产品参数
-
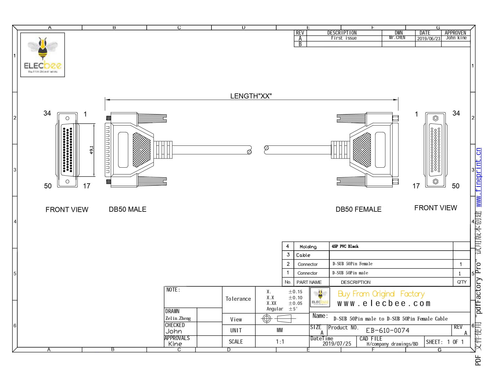
接头 A
D-sub
-
接头A 公母
公头
-
接头A 方向
直式
-
接头 B
D-sub
-
接头B 公母
母头
-
接头B 方向
直式
-
线规
AWG28
-
接头A针脚数
50pin
-
接头B针脚数
50pin
-
线材长度
0.2米
- 产品特征
产品特征:
- DB50,公,直,50,DB50,母,直,50,AWG28,0.2m
- 外部颜色:红黑白绿橙紫兰.也可按要求定做;
- 有应用 LED,集成线路,电阻,电容,三极管等电子元器件在线路中的均会
100%测试功能; - 高质量原厂出货,30天无忧退换货;
- 来自品牌OEM原厂批发,相同质量,更实惠的价格。
应用:
- 数据传输
- 消费电子产品
- 通讯行业
- 测量
- 调节和控制装置
- 工防设备

- 技术参数
电气性能
- 绝缘电阻:大于5MΩ
- 导通阻抗:小于5Ω
- RoHS.RoHS+REACH
- 测试:100%连续性测试(包括开,短,阻抗特性)
- 适用线规:AWG28.24.32.
- 螺母:4-40
- 公司简介




- Q & A
- 去提问
全部(0)
产品推荐(0)
产品应用(0)
定制(0)
配套产品(0)
其他(0)
没有评价数据
- 产品评价
- 去评价
0.0
好评率 100%
全部0评价
排序: 最新
全部(0)
带图评论(0)
好评(0)
中评(0)
质量好(0)
发货快(0)
差评(0)
没有评价数据
- 下载
暂无数据


