怎样科学有效的处理电子线束的绝缘

电子线束产品,通常要求有较高的安全等级,因此其在加工的过程中,必须保护好连接处,避免导线之间出现短路或者导体氧化,然后进行绝缘的处理,那么你可知道电子线束的绝缘要怎么处理才能做到科学有效呢,下面电蜂工程师将会为您科普一下电子线束绝缘的标准,一起来看看吧。
电子线束想要很好的绝缘,要做到五个标准,具体如下:

1、热缩套管的选用:常用的有住友、日立,沃尔等;
2、绝缘表面不能有任何的突起;
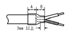
3、热缩套管的长度A:B之比最好为1:1,最小收缩部分至少为3mm;
4、收缩状态时手指不能轻轻移动;
5、导线不能因受热而破损;

读完上文之后,您应该已经清楚“怎样科学有效的处理电子线束的绝缘”了吧,更多电子线束相关的技术问题,您可以登录我们的线束(https://h5.chattiddy.com/category-1534.html)页面查看。如需采购电子线束相关的产品,请直接拨打13121225979,立即向工程师咨询您想要的线束产品。电蜂优选,是专业的连接器采购平台,可以承接定做各种各样的线束产品,交期及时,ISO认证,值得您的信赖。

“电子线束的绝缘要怎么处理才能做到科学有效”文中使用的配图均是电蜂摄影团队高清原创拍摄,仅供用户免费查阅,请勿转自其他商业用途,谢谢配合。
本文来源:https://h5.chattiddy.com/article-1188.html